
沼氣流量計
- 品*:JKM/凱銘儀表
- 型號:JKM-LUGB
- 測量范圍:5-11000m3/h
- 精度等級:1.5級、1.0級
- 公稱通徑:DN20~DN1200
- 適用介質:氣體、液體、蒸汽
- 工作壓力:1.6MPa~10MPa
- 工作溫度:-80℃~450℃
- 供電方式:24VDC 鋰電池
- 訂貨號:BDP164467IQF
沼氣流量計產品概述
JKM-LUGB渦街流量計又稱渦街流量計可用于各種氣體(煤氣、空氣、氫氣、天然氣、氮氣、液化石油氣、過氧化氫、煙道氣、甲烷、丁烷、氯氣、燃氣、沼氣、二氧化碳、氮氣、乙炔、光氣、氧氣)的流量檢測及計量。采用壓電晶體作為檢測元件的新型應力檢測式渦街流量計。
沼氣流量計產品特點
直接測量氣體質量流量,溫度、壓力補償
低流速測量,*小流量可測至零 , 分辨率 0.001m/s
氣體流量計具現場顯示,并可現場整定
量程比寬,1:120(可達1:1000)
非線性修正,有16段非線性函數可設置
高可靠性,具有故障自動檢查,顯示和故障自動修復功能
在線不斷流裝卸,維護方便
有防竊功能
超高精確,1.0 1.5級

沼氣流量計技術參數
介質:適用于氣體、液體均可使用
測量范圍:0m/s~120m/s(標準狀態)
精度:優于±1.5級
重復性:±0.2%滿量程
輸出信號:4~20mA,,RS485,MODBUS,HQBUS
工作壓力: ≤2.5MPa(*大可達20MPa)
介質溫度:-40℃~510℃
環境溫度:-40℃~80℃
供電電源:24VDC ±10%,≥350mA
公稱通徑:Dn20~1000mm
流量范圍:0.6~12720m3/h;
線性度:≤±1.0%;
重復性:≤0.2%介;
介質溫度:-40~350℃;
公稱壓力:2.5、4.0Mpa;
本體材質:1Cr18Ni9Ti
供電電源:24V.DC;
負載電阻:*大負載電阻不超過350Ω;
輸出信號:脈沖或4-20mA。(可選)

沼氣流量計的流量范圍

沼氣流量計選型說明


沼氣流量計的流量范圍

沼氣流量計選型說明

沼氣流量計安裝對直管段的要求
正確地選擇安裝點和正確安裝流量計都是非常重要的環節,若安裝環節失誤輕者影響測量精度,重者會影響流量計的使用壽命,甚至會損壞流量計。
安裝對直管段的要求是非常重要的。它的詳細要求如下:
對安裝點上的上下游直管段一定的要求,否則會影響測量精度。
若流量計安裝點上的上游有漸縮管,流量計上游應有不小于15D(D為管道直徑)的等徑直管段,下游應有不小于5D的等徑直管段。
若流量計安裝點上的上游有漸擴管,流量計上游應有不小于18D(D為管道直徑)的等徑直管段,下游應有不小于5D的等徑直管段
若流量計安裝點上游有90°彎頭或下行接頭,流量計上游應有不小于20D的等徑直管段,下游應有不小于5D的等徑直管段。
若流量計安裝點上游在同一平面上有90°彎頭,流量計上游應有不小于25D的等徑直管段,下游應有不小于5D的等徑直管段。
流量調節閥或壓力調節閥盡量安裝在流量計下游5D以遠處,若必須安裝在流量計的上游,流量計上游應有不小于25D的等徑直管段,下游應有不小于5D的等徑直管段。
上游若有活塞式或柱塞式泵,活塞式或羅茨式風機、壓縮機,流量計上游應有不小于25D的等徑直管段,下游應有不小于5D的等徑直管段。
特別注意:渦街流量計安裝點的上游較近處若裝有閥門,不斷地開關閥門,對流量計的使用壽命影響*大,非常容易對流量計造成永久性損壞。流量計盡量避免在架空的非常長的管道上安裝,這樣時間一長后,由于流量計的下垂非常容易造成流量計于法蘭的密封泄露,若不得已安裝時,必須在流量計的上下游2D處分別設置管道緊固裝置。

沼氣流量計信號換算與接線方式
電壓脈沖換算成累積流量,(累計流量值)Qs=N/K,
K是流量系數(出廠都已經給定),N是一段時間內的總脈沖數。
1)可由二次儀表(流量積算儀、PLC等)將脈沖頻率f進行積算,得到一段時間內的總個數。
2)直接一段采集脈沖個數,得到總數。
脈沖輸出接線方式

電流信號換算成瞬時流量(4-20mA接線方式)



電流信號換算成瞬時流量(4-20mA接線方式)

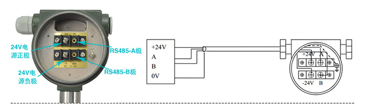
485通訊接線

沼氣流量計使用時常見故障及處理方法
一、通電時無指示、無輸出信號
可能存在的問題:(1)傳感器供電不正確;(2)管道內無流量或流量太小
相應的處理方法:(1)檢查接線,使供電正常;(2)通知工藝部門打開閥門
二、無流量時,有輸出信號
可能存在的問題:(1)儀表屏蔽線或接地不良引入50Hz干擾;(2)管道振動較大;(3)傳感器增益過大
相應的處理方法:(1)加強屏蔽或重新接地;(2)在流量計上游2D處加裝固定支撐點,或者在滿足直管段要求的前提下加軟管過度;(3)調整增益定位器至適當的位置
三、流量指示值波動大
可能存在的問題:(1)管道振動過大;(2)靈敏度調的過高;(3)傳感器發生體上有附著物;(4)壓電晶片損壞;(5)工況波動大
相應的處理方法:(1)振動處理方法同上;(2)降低靈敏度;(3)拆卸并清洗傳感器發生體;(4)更換;(5)檢查工況
四、 指示誤差大
可能存在的問題:(1)上游直管段長度不夠,有氣穴現象;(2)儀表常數設定有誤;(3)傳感器發生體上有附著物
相應的處理方法:(1)改變安裝地點,加整流器,保證上游直管段要求;(2)重新標定及設定儀表常數;(3)拆卸并清洗傳感器發生體。
沼氣流量計的安裝
安裝條件
1、傳感器可安裝在室內,也可安裝在室外。環境條件要符合要求。
2、傳感器應安裝在水平、垂直或傾斜(流體的流向自下而上)的與其公稱通徑相應的管道上。
3、傳感器應避免安裝在有機械振動的管道上。當振動不可避免時,應考慮在距傳感器前后約2DN處的直管段上加固定支撐架。
4、傳感器應避免安裝在有較強電磁場干擾、有熱輻射、有腐蝕性氣體、空間小和維修不方便的場所。
5、被測介質含有較多雜質時,應在傳感器上游直管段要求的長度以外加裝過濾器。
6、傳感器的上、下游應配置一定長度的直管段,直管段的內壁應清潔、光滑,無明顯凸凹、積垢和起皮等現象。其長度應符合圖二的要求。安裝液體傳感器的附近管道內,應充滿被測液體。
7、直管段內徑盡可能與傳感器通徑一致,若不能一致,應采用比傳感器通徑略大的管徑,誤差要≤3%并不超過5mm。
安裝步驟要求
1、將配備的專用法蘭分別焊接到上下游直管段上,使專用法蘭和直管段的內徑嚴格垂直與同心。
2、將傳感器夾在焊有專用法蘭的上下游直管段上,用螺栓緊固,使上下游直管段與傳感器保持同軸。
3、傳感器安裝方式:傳感器應朝上或水平(放大器指向)安裝;介質溫度超過250℃,傳感器應水平安裝。
4、傳感器及管道必要時應良好接地,接地電阻≤10Ω。
傳感器上、下游直管段長度的要求


注意事項:
1、專用法蘭與直管段焊接時不能帶著傳感器焊接。
2、安裝時應使傳感器的流向標志與管道內流體流向一致。
3、傳感器安裝前,法蘭凹槽內必須放好密封圈。壓力和溫度測量點的位置,取壓點在傳感器下游3~5DN處,測溫點在下游5~8DN處。
4、測量高溫介質時,切勿用隔熱材料把傳感器連接桿周圍包起來。
5、連接傳感器的屏蔽電纜走向,應盡可能遠離強電磁場的干擾場合。絕對不允許與高壓電纜一起敷設,屏蔽電纜要盡量縮短,并且不得盤卷,以減少分布電感,*大長度不應超過200米。
6、安裝傳感器前,管道必須進行清洗。沖掉管內的雜質,避免通流后堵塞傳感器。測量液體的管道必須充滿被測液體,防止氣泡的干擾。


